Cuve de fermentation 500 litres - isolée avec circulation forcée - 003582
INOX 304
Description détaillée :
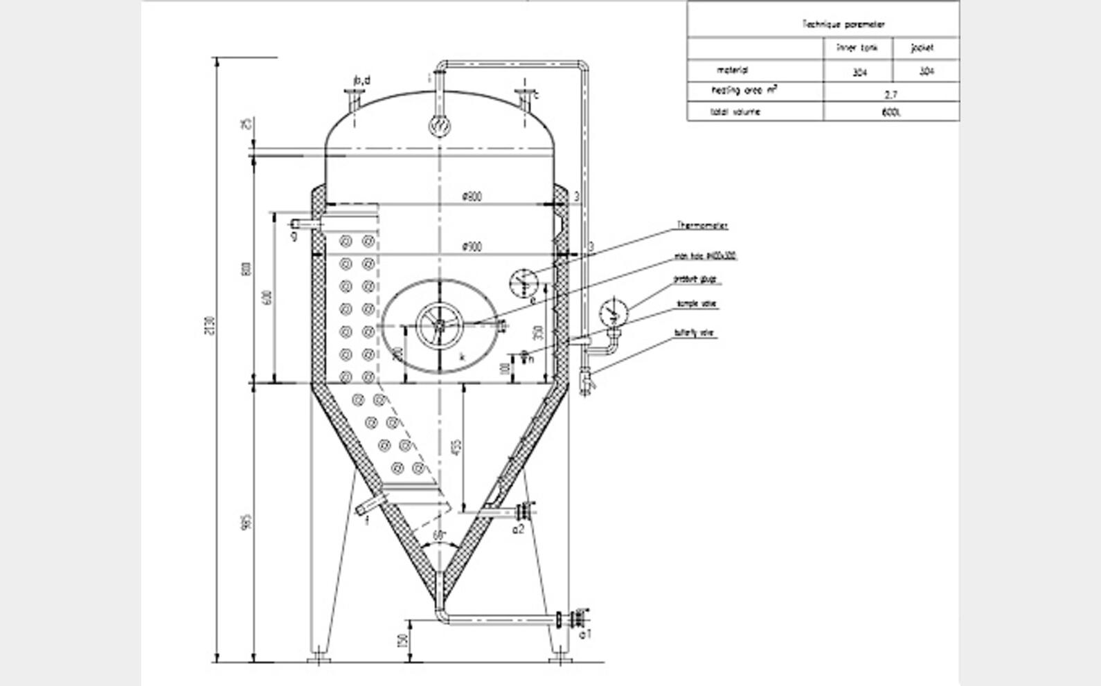
Cuve de fermentation pour la bière en INOX 304.
Cylindrique verticale à fond conique (60 °) sur 4 pieds.
Le fond conique est conçu pour améliorer la fermentation de la bière et le développement des levures.
Surface d'échange thermique de 3,8 m2 : 2 circuits soudés à la virole de la cuve et au cone inférieur pour optimiser au maximum la vitesse de refroidissement.
La surface d'échange thermique est protégée par une isolation en mousse de polyuréthane.
L'ensemble de l'isolation est en inox soudé étanche et poli (Ra inférieur à 0,2 microns).
Entrée et sortie du liquide pour les circuits d'échange thermique en 1".
Accessoires :
- 1 trou d'homme ovale en bas de virole en 420 x 310 mm.
- 1 boule de lavage rotative.
- 1 évent avec soupape de surpession.
- le fond conique est muni d'une tuyauterie déporté en bord de cuve avec en sortie une vanne papillon triclamp en1,5" (vidange totale).
- 1 vanne papillon triclamp en 1,5 "
- 1 piquage supplémentaire sur le dome en 1,5 "
- 1 piquage en bas de virole pour prise d'échantillon.
- 2 anneaux de levage sur le dome.
température maximum: 100 degrés
Cylindrique verticale à fond conique (60 °) sur 4 pieds.
Le fond conique est conçu pour améliorer la fermentation de la bière et le développement des levures.
Surface d'échange thermique de 3,8 m2 : 2 circuits soudés à la virole de la cuve et au cone inférieur pour optimiser au maximum la vitesse de refroidissement.
La surface d'échange thermique est protégée par une isolation en mousse de polyuréthane.
L'ensemble de l'isolation est en inox soudé étanche et poli (Ra inférieur à 0,2 microns).
Entrée et sortie du liquide pour les circuits d'échange thermique en 1".
Accessoires :
- 1 trou d'homme ovale en bas de virole en 420 x 310 mm.
- 1 boule de lavage rotative.
- 1 évent avec soupape de surpession.
- le fond conique est muni d'une tuyauterie déporté en bord de cuve avec en sortie une vanne papillon triclamp en1,5" (vidange totale).
- 1 vanne papillon triclamp en 1,5 "
- 1 piquage supplémentaire sur le dome en 1,5 "
- 1 piquage en bas de virole pour prise d'échantillon.
- 2 anneaux de levage sur le dome.
température maximum: 100 degrés