Cuve INOX chapeau flottant - Fond bombé sur pieds - 004737
Volume : 2500 litres (25 hls)
MATERIEL NEUF
Description détaillée :
CARACTERISTIQUES TECHNIQUES : (SPAC 2500 PR)
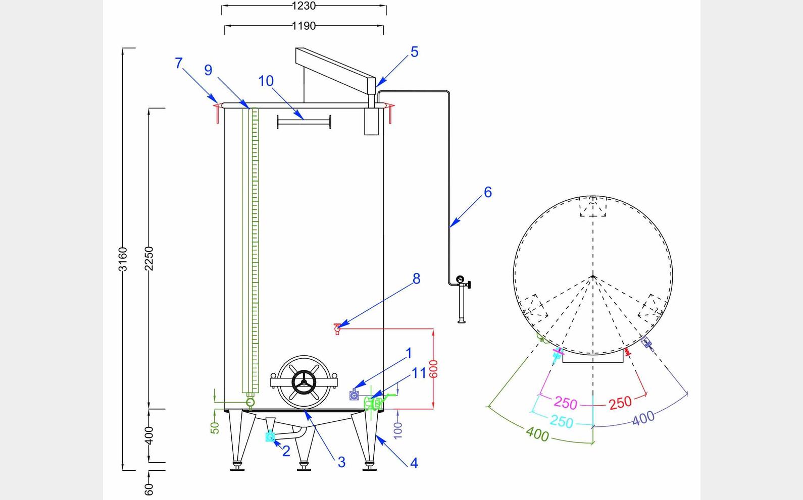
- Capacité utile :
2387 L
- chapeau flottant complet
- potence pivotante inox
- vidange partielle et vidange totale avec bride carré 100 x 100 avec vannes à
boule inox sur bride sortie 40 macon, passage intégral
- PORTE RONDE Diamètre 400
- robinet dégustateur Inox DIN 15
- 3 pieds inox H. 400 mm réglables
- pompe et manomètre
- robinet de niveau diamètre 20 mm avec protection inox
- barreau d'appui échelle inox
- potence
- treuil de levage
- épaisseur virole : 1,2 mm
- épaisseur fond : 1,5 mm
Finition extérieure : Brossée
Finition intérieure : Poli-miroir (BA)
DIMENSIONS :
- diamètre 1200 mm
- hauteur (sans potence) 2650 mm
- hauteur totale (avec potence) 3160 mm
Matériel disponible FIN AVRIL 2016.
- Capacité utile :
2387 L
- chapeau flottant complet
- potence pivotante inox
- vidange partielle et vidange totale avec bride carré 100 x 100 avec vannes à
boule inox sur bride sortie 40 macon, passage intégral
- PORTE RONDE Diamètre 400
- robinet dégustateur Inox DIN 15
- 3 pieds inox H. 400 mm réglables
- pompe et manomètre
- robinet de niveau diamètre 20 mm avec protection inox
- barreau d'appui échelle inox
- potence
- treuil de levage
- épaisseur virole : 1,2 mm
- épaisseur fond : 1,5 mm
Finition extérieure : Brossée
Finition intérieure : Poli-miroir (BA)
DIMENSIONS :
- diamètre 1200 mm
- hauteur (sans potence) 2650 mm
- hauteur totale (avec potence) 3160 mm
Matériel disponible FIN AVRIL 2016.